专注工业传感器研发制造
首页
解决方案
解决方案
根据检测应用需求选择适合您的产品;帮助用户创造价值,用户因为我们而实现更大的梦想。
应用案例
行业案例
产品案例
其他咨询服务?
免费试用
查看全部产品分类
停产替代
订购咨询
产品中心
产品中心
博亿精科一直遵循产品质量是设计进去,制造出来的品质理念;不断钻研专业技术,加快工业传感器的国产化进程。
光纤
光纤放大器
槽型光电传感器
光电传感器
接近传感器
位移传感器
光幕/光栅
颜色传感器
液位检测传感器
标签传感器
超声波传感器
落料检测传感器
气缸传感器
视觉传感器
其他咨询服务?
免费试用
查看全部产品分类
停产替代
订购咨询
资料下载
目录
CAD
使用说明书
服务支持
服务介绍
订购咨询
免费试用
停产替代
常见问题
品质保障
研发制造
研发实力
客户定制
精密制造
品质保障
关于我们
关于我们
博亿精科成立于2014年,总部坐落于深圳光明科学城,生产基地位于制造名城-东莞松山湖,是一家专注于工业自动化传感器设计、研发、生产和销售的国家高新技术公司、专精特新企业,致力于为工业自动化领域提供一站式的解决方案。 博亿精科利用光学测量原理,将复杂的光学传播技术应于工业识别和工业测量,经过多年的传承跨越,铸就了博亿精科在国内工业自动化传感器行业的领先地位。 博亿精科一直走在自主创新的最前沿,拥有一支以专家和博士带队、硕士为主体的研发团队,汇聚了一批工业自动化领域内的电子工程师、算法工程师、光学工程师和机械结构领域专家,并与国内外高校、科研机构、知名企业等保持着密切的技术合作及资源共享。 博亿精科拥有高标准的生产车间、先进的生产设备、完善的检测手段,在质量管理上全面推行IS09001认证,在环境保护上严格实施IS014001标准。博亿精科注重产品形成的每一个细节,从设计、研发、采购、生产、品控、物流、销售和售后服务等都力求精益求精。产品的绝大部分技术指标都领先国内同行,接近国外先进水平,以超出期望的用户体验感在业界著称。 坚持真诚服务、功夫到家、勇于创新,将性价比最优的工业自动化传感器带到世界的每一处地方,是博亿精科人的共同愿景。 博亿精科始终遵循创始人信奉的“帮用户创造价值”的企业使命,优化企业发展战略,不懈追求先进的技术和优秀的产品,以诚信、敬业和共赢的态度为用户持续提供超越期望的产品和服务。 未来的博亿精科将不断为社会创造财富,为员工创造价值,同时也渴求成为工业自动化传感器领域的优秀企业。
公司简介
企业文化
发展历程
组织架构
招贤纳士
新闻中心
展会排期
其他咨询服务?
免费试用
查看全部产品分类
停产替代
订购咨询
联系我们
联系方式
在线留言
18929264368
CN
感知世界,连接未来
联系地址:
广东省东莞市松湖智谷科创中心D2栋12楼
联系邮箱:
ranguanghui@boyijingke.com
公司传真:
0769-8110 5398
售前咨询:
18929264368
立即搜索
其他咨询服务?
免费试用
查看全部产品分类
停产替代
订购咨询
首页
解决方案
应用案例
行业案例
产品案例
产品中心
光纤
光纤放大器
槽型光电传感器
光电传感器
接近传感器
位移传感器
光幕/光栅
颜色传感器
液位检测传感器
标签传感器
超声波传感器
落料检测传感器
气缸传感器
视觉传感器
资料下载
目录
CAD
使用说明书
服务支持
服务介绍
订购咨询
免费试用
停产替代
常见问题
品质保障
研发制造
研发实力
客户定制
精密制造
品质保障
关于我们
公司简介
企业文化
发展历程
组织架构
招贤纳士
新闻中心
展会排期
联系我们
联系方式
在线留言
EN
CN
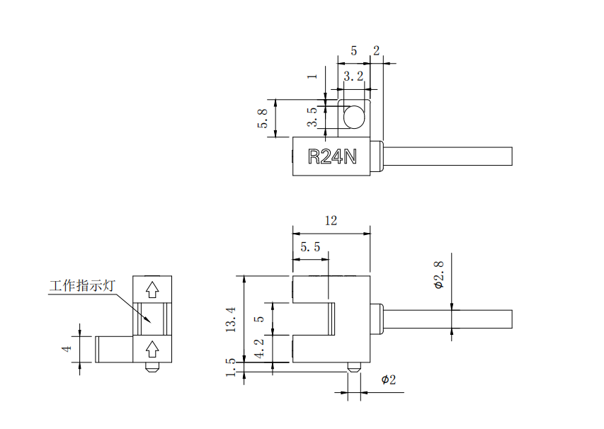
R24N
首页
产品中心
微槽型光电传感器
R24N
微槽型光电传感器
功能特点:体积超小,抗干扰性能强,响应频率高
检测距离:槽宽5mm
输出方式:NPN,Light.on(入光动作) 和 Dark.on(遮光动作) 可选择
订购咨询
免费试用
技术参数
尺寸结构
资料目录
CAD图纸
使用说明书
获取报价
加入对比
型号
R24N
输出类型
NPN输出
检测物体
1.2x0.8mm不透明物体
检测距离
5mm凹槽宽度
应答频率
2KHZ
重复精度
0.03mm以下
指示灯
动作显示灯(红色)
保护回路
浪涌保护回路,极性反接保护
动作形态
同时配备两个独立输出(遮光时ON,入光时ON)
电源电压
DC5-24V
出光光源
GaAs红外发光二极管(940
nm
)
环境温度
动作时:-25-+70℃ 保存时:-40-85℃(不结冰,不结露)
连接方式
导线引出型(标准导线长2M)
您需要帮助与服务吗?
01.
联系我们
DISCONTINUED REPLACEMENT
02.
在线咨询
ONLINE CONSULTATION
03.
价格垂询
QUICK SELECTION
04.
快速选型
QUICK SELECTION
BOJKE
快速交付与全面支持
博亿精科通过现场操作指导和售后技术支持,为客户提供从产品选择到生产线运行的全程支持。
服务支持
资料下载中心
免费试用
申请免费试用