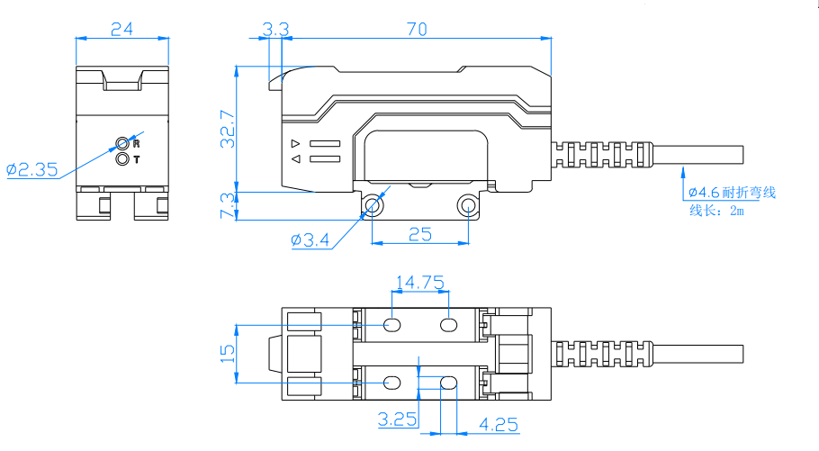
BS-401

颜色传感器
BS-401
颜色/色标传感器

功能特点:颜色和色标模式可切换,自带两点示教功能

检测距离:60mm以内

输出方式:NPN输出

型号BS-401
输出类型NPN输出

类    型

1个输出口,导线引出式

控制输出

1个输出口,配备短路保护,配备自动防任何干扰功能

光    源

RGB三色,4元素发光二极管体

反应时间

C 模式 130us

输出选择

LIGHT-ON/DARK-ON(开关选择)

显示指示器

操作指示灯:红色发光二极管、OLED屏显示

检测方式

颜色自动匹配检测 C,不同颜色自动选择不同光 源检测

延时功能

断开延时计时器/开启延时计时器/单次计时器/开启延时单次计时器,可选择。计显示器在持续时间可选择: 1ms至9999ms

控制输出

NPN开放式集电器24V,最大100mA(只限于主部件)

消耗电流最大40mA(当扩展部件连接时,残余电压:1.5V以下(流入电流为50mA时)

电    源

12至24VDC±10%之间,浮动比率(P-P):最大10% 等级2 

工作环境亮度

白炽灯:受光面照明度最大3,000lx以下

功    率

消    耗

最大电压:24V

耐振动性

10至55Hz,双重振幅:1.5mm,X,Y,Z轴分别是2小时

环境温度

-10至+55℃,无冻结

image.png

您需要帮助与服务吗?